Engineering
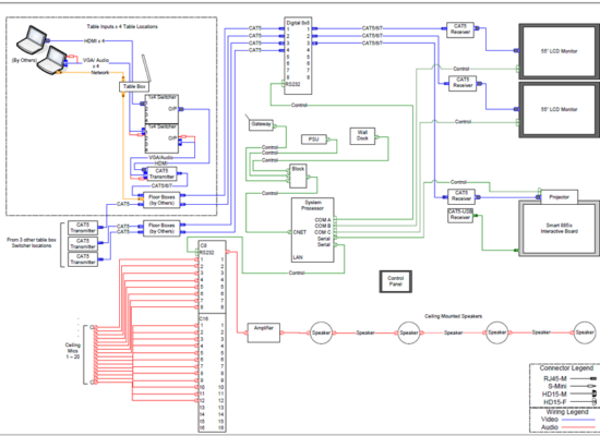
Need a system designed for you? Or do you have a Request For Proposal project or Design Build that requires Certified Technology Specialists verification? Use our expertise and extensive product knowledge to formulate the most efficient integrated design. MastroVision will supply "turn key" system designs complete with the proposed system equipment lists, logical wiring diagrams, rack elevations, wiring pull lists, onsite measurements and layouts for product fitment verification, and once complete, training sessions and manuals for your end users, MastroVision will effectively estimate proposed project budgets and plan your system at every step. MastroVision Is your Complete Technology Partner!
